球型静态平衡阀
更新时间:2020-05-17 19:07:56 字号:T|T
产品说明
球型静态平衡阀在满足原有球阀全部功能的基础上又增加了可以具备调节能力的新型产品弥补了球阀不能做调节的弊端,又比原有法兰平衡阀不易做保温、安装使用空间大、调节刻度不******及调节杆易漏水等不足。此阀可以直接与管道焊接连接,节省法兰、垫片、螺栓物质资源,体积小重量轻,安装方便,易于保温。具有关断力强,并且具备不做调节时可以******打开功能,全开时的阻力小。并且具有免维护、零泄露、运行费用低等优点,越来越广泛的成为数字锁定平衡阀,静态调节阀等需要大量维护工作阀门的替代产品。

技术特点
1、阀体结构为整体式焊接,不会有外部泄漏现象。
2、阀座由PTFE密封环及补偿弹簧组成,对压力和温度的变化适应能力强,在使用范围内不会产生任何泄漏。
3、阀杆的防渗漏结构、阀杆底部有1个PTFE自封密封垫和1个O型密封圈,上面有2个O型密封圈、两个PTFE密封垫组成,确保开关调节十万次不泄露。

2、阀座由PTFE密封环及补偿弹簧组成,对压力和温度的变化适应能力强,在使用范围内不会产生任何泄漏。
3、阀杆的防渗漏结构、阀杆底部有1个PTFE自封密封垫和1个O型密封圈,上面有2个O型密封圈、两个PTFE密封垫组成,确保开关调节十万次不泄露。

刻度调节指示盘
4、阀体材料与管道材质相同,焊接不会出现应力不均现象。
5、阀体轻使阀门安装变的更为便捷,不仅降低工程施工的成本,也节省了时间,且便于保温。
6、具有防破坏锁控装置及异型调节扳手,防止他人对阀门开度随意更改。
7、打开锁控装置,放入调节扳手即可对阀门开度进行读数及调节。
8、******的阀球口W型设计,可以满足等百分流量调节曲线。
9、阀体及内部附件均为耐高温材质,可******在-20——+200度工况下长期使用。
10、可根据用户对阀门连接端口的不同需要,设计多种端口连接方式,供您选择。
11、有多种操控调节方式供您选择,如(手柄、蜗轮、电动)等,加装电动驱动装置时可实现远程操作与控制。
5、阀体轻使阀门安装变的更为便捷,不仅降低工程施工的成本,也节省了时间,且便于保温。
6、具有防破坏锁控装置及异型调节扳手,防止他人对阀门开度随意更改。
7、打开锁控装置,放入调节扳手即可对阀门开度进行读数及调节。
8、******的阀球口W型设计,可以满足等百分流量调节曲线。
9、阀体及内部附件均为耐高温材质,可******在-20——+200度工况下长期使用。
10、可根据用户对阀门连接端口的不同需要,设计多种端口连接方式,供您选择。
11、有多种操控调节方式供您选择,如(手柄、蜗轮、电动)等,加装电动驱动装置时可实现远程操作与控制。
12、阀杆上设有调节全开及****全开限位,防止操作超出控制范围。
13、此阀可具有百分比曲线调节,全关零泄露,阻力补偿功能(全开时不会因调节阀球增大阻力)。
14、具有良好的流量调节性,******的阀门开度指示。
15、万向调节扳手,可在狭窄空间下对阀门进行操作调节。
16、可配备专用智能压差流量仪表,实现人机对话,对平衡阀进行调整,即可实现系统的水力平衡。
13、此阀可具有百分比曲线调节,全关零泄露,阻力补偿功能(全开时不会因调节阀球增大阻力)。
14、具有良好的流量调节性,******的阀门开度指示。
15、万向调节扳手,可在狭窄空间下对阀门进行操作调节。
16、可配备专用智能压差流量仪表,实现人机对话,对平衡阀进行调整,即可实现系统的水力平衡。
安装事项
1、平衡阀可安装在回水管路上,也可安装在供水管路上,在供热系统中,我们建议安装在回水管路上可以较好的调节流量。
2、平衡阀可水平安装,也可垂直安装,
3、安装前应清除管道内部杂质,阀门袖管两端的保护帽在焊接之前不要摘除。防止杂物进入阀内损伤密封件。
4、阀门焊接端与管道垂直焊接时,应必须******阀门端与管道端焊接面对齐平行。防止避免焊接时飞溅杂质损伤阀球及密封面。
5、法兰连接时,阀体法兰与管道连接应保持自然同轴,避免产生剪切力,连接螺栓应自然锁紧。
6、介质流动方向必须于阀体箭头方向一致。
1、平衡阀可安装在回水管路上,也可安装在供水管路上,在供热系统中,我们建议安装在回水管路上可以较好的调节流量。
2、平衡阀可水平安装,也可垂直安装,
3、安装前应清除管道内部杂质,阀门袖管两端的保护帽在焊接之前不要摘除。防止杂物进入阀内损伤密封件。
4、阀门焊接端与管道垂直焊接时,应必须******阀门端与管道端焊接面对齐平行。防止避免焊接时飞溅杂质损伤阀球及密封面。
5、法兰连接时,阀体法兰与管道连接应保持自然同轴,避免产生剪切力,连接螺栓应自然锁紧。
6、介质流动方向必须于阀体箭头方向一致。
使用及注意事项
1、用厂商提供的专用锁控钥匙,打开锁控装置,放入异型调节扳手调节至所需开度,或配备智能仪表调节至所需流量。
2、调试完成后,记录阀门开度并应将锁控装置锁闭到位。
3、球阀启闭调节操作,应按照阀门刻度指示方向操作,切勿方向错误过力操作损坏阀件。
4、使用智能仪表辅助调节时,仪表与两端测压孔连接时应注意上下游方向。安装好后应将内部气体排空。
1、用厂商提供的专用锁控钥匙,打开锁控装置,放入异型调节扳手调节至所需开度,或配备智能仪表调节至所需流量。
2、调试完成后,记录阀门开度并应将锁控装置锁闭到位。
3、球阀启闭调节操作,应按照阀门刻度指示方向操作,切勿方向错误过力操作损坏阀件。
4、使用智能仪表辅助调节时,仪表与两端测压孔连接时应注意上下游方向。安装好后应将内部气体排空。
主要零部件名称及材质
| 名称 | 阀体 接管 |
阀杆 | 调节阀球 | 阀座 | 补偿 弹簧 |
密封圈 |
涡轮 | 手柄 |
| 材质 | 20# | 不锈钢 20Cr13 |
不锈钢304 | 特氟龙 PTFE+C | 不锈钢 | 氟橡胶 | QT450 | 20# |
| FPM |
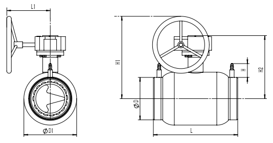
产品外形图


性能参数和安装尺寸
| 规格 | 安装尺寸(mm) | 全开 流量系数KVmax |
全开 阻力系数 ξmax |
|||||
| D | D1 | L | L1 | H1 | H2 | |||
| DN32 | 42 | 57 | 260 | * | 107 | * | 28.2 | 2.37 |
| DN40 | 48 | 76 | 300 | * | 123 | * | 37.5 | 2.91 |
| DN50 | 57 | 89 | 300 | * | 128 | * | 61.4 | 2.65 |
| DN65 | 76 | 114 | 300 | * | 158 | * | 85.0 | 3.95 |
| DN80 | 89 | 140 | 305 | * | 172 | * | 97.0 | 6.96 |
| DN100 | 108 | 159 | 325 | * | 182 | * | 170.0 | 5.53 |
| DN125 | 133 | 180 | 320 | * | 247 | * | 268.0 | 5.43 |
| DN150 | 159 | 219 | 350 | * | 266 | * | 303.0 | 8.82 |
| DN200 | 219 | 273 | 435 | 235 | 456 | 336 | 595.0 | 7.23 |
| DN250 | 273 | 351 | 560 | 280 | 535 | 375 | 890.0 | 7.88 |
| DN300 | 325 | 450 | 665 | 300 | 635 | 425 | 1374.0 | 6.86 |
注:流量系数Kv相当于阀门前后压差为1bar(100kPa)时的流量值(m3/h)。阀门全开时Kv值******(Kv=Kv******), 即为阀门的流通能力。
焊接阀门结构长度符合国家标准 GB/T12221—2005。
焊接阀门结构长度符合国家标准 GB/T12221—2005。
球型平衡阀功能与特性
1、 每一种规格的平衡阀经试验测量,都呈现了如下图所示的近似线性的流量(开度流量曲线关系),具备了良好的流量调节特性,在平衡阀调试时可****** 地调节流量。
2、 平衡阀按照设计工况调试,系统达到水力平衡后,当运行工况不同于设计工况,总循环水量少于设计流量时(例如变频水泵低转速运转或多台水泵并联只开启部分水泵时),安装了平衡阀的各个支路的流量将按相同比例减少,能够满足在当时气候条件下部分负荷时的水力平衡的需要。也***是说可以满足以热源为主动的变流量系统。
1、 每一种规格的平衡阀经试验测量,都呈现了如下图所示的近似线性的流量(开度流量曲线关系),具备了良好的流量调节特性,在平衡阀调试时可****** 地调节流量。
2、 平衡阀按照设计工况调试,系统达到水力平衡后,当运行工况不同于设计工况,总循环水量少于设计流量时(例如变频水泵低转速运转或多台水泵并联只开启部分水泵时),安装了平衡阀的各个支路的流量将按相同比例减少,能够满足在当时气候条件下部分负荷时的水力平衡的需要。也***是说可以满足以热源为主动的变流量系统。

球型平衡阀流量特性曲线图







